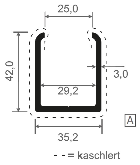
Aluminium Zierleiste / Abdeckleiste Anthrazit für 6 mm Platten
99,90 €*
Inhalt: 6 m (16,65 €* / 1 m)